
个人简介
杨怡青,WilliamHill中文给水1601班学生,2016-2019年连续三年获得三等奖学金,2020年获二等奖学金,曾获院学生会宿管中心“优秀干事”称号。2019年参加第三届“深水杯”全国大学生给排水科技创新大赛,并获团体赛优胜奖。
毕业设计简介
题目:中南D市新区给水工程设计
指导教师:张刚
设计内容:水在人的日常生活中占据举足轻重的地位,是人类不可或缺的资源。随科技和经济的发展,城镇对给排水的建设需求日益提高,对生活饮用水水质标准也在不断提升,近年来我国对给排水的建设和需求也日益提高。
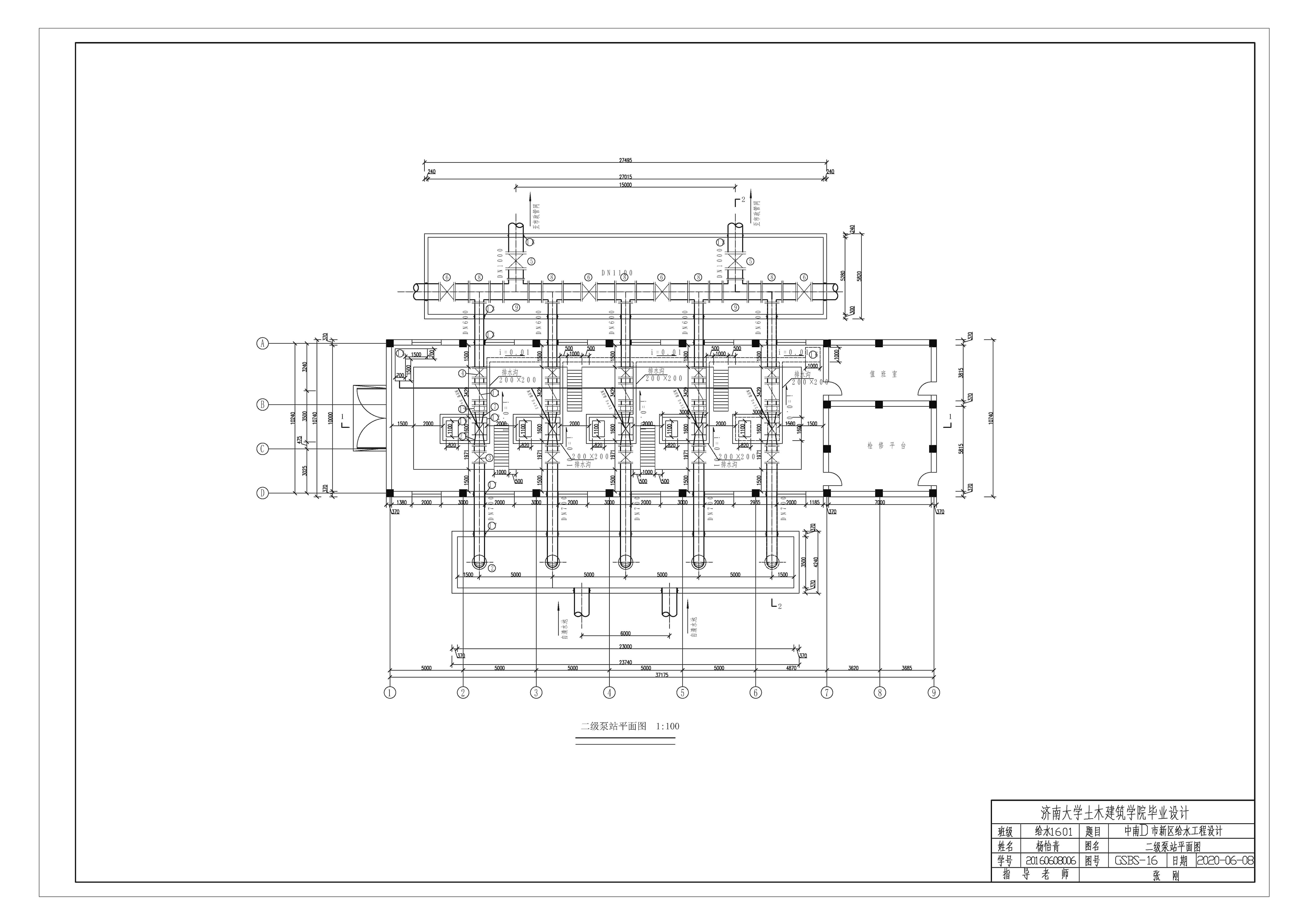
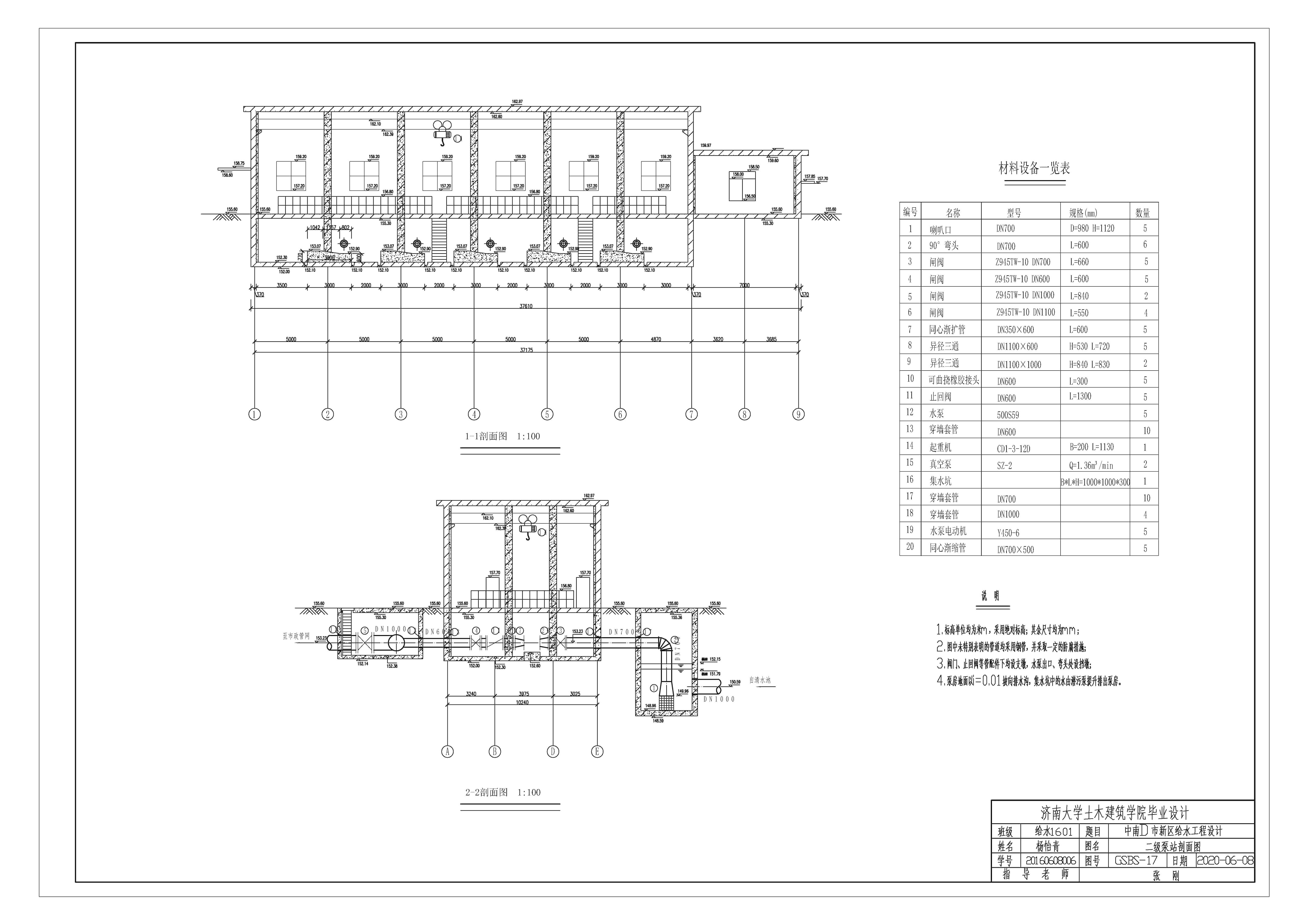
本毕业设计设计题目为中南D市新区给水工程设计,拟建于新区位于沅江西岸。沅江为供水水源地。规划人口数为25万人,给水普及率按97%考虑;房屋平均层数6-7层。该新区地势较为平坦,地面标高由北向南逐渐降低,平均海拔在110m-125m之间,其年平均气温15.5℃,常年主导风向为东风。本设计城市配水管网采用环状网的形式,以保证良好的供水安全性。
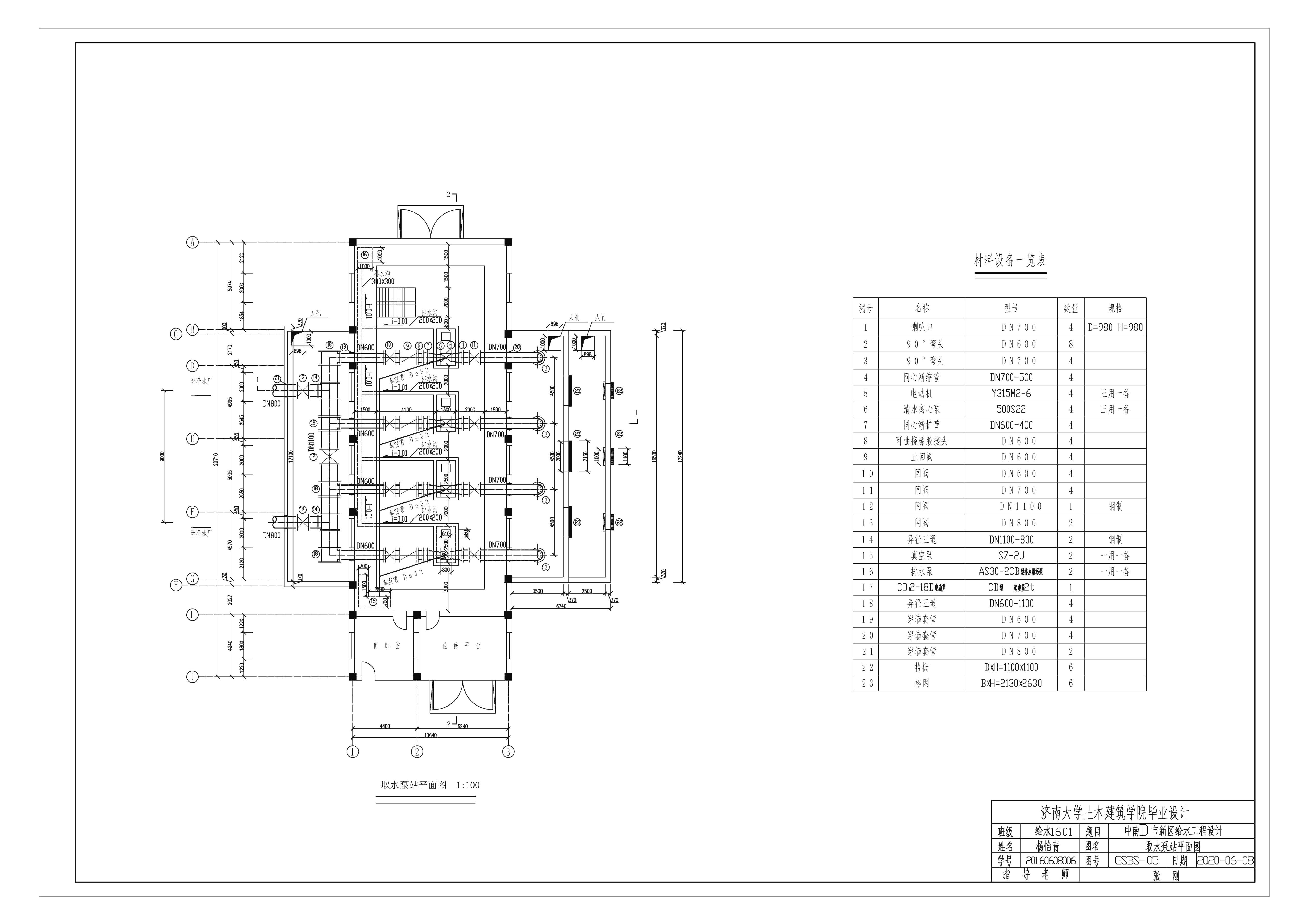
水源地地处顺直湖岸,岸边边坡较陡,水中漂浮物较少,故采用合建式岸边取水构筑物,泵站布置紧凑,供水稳定性高。
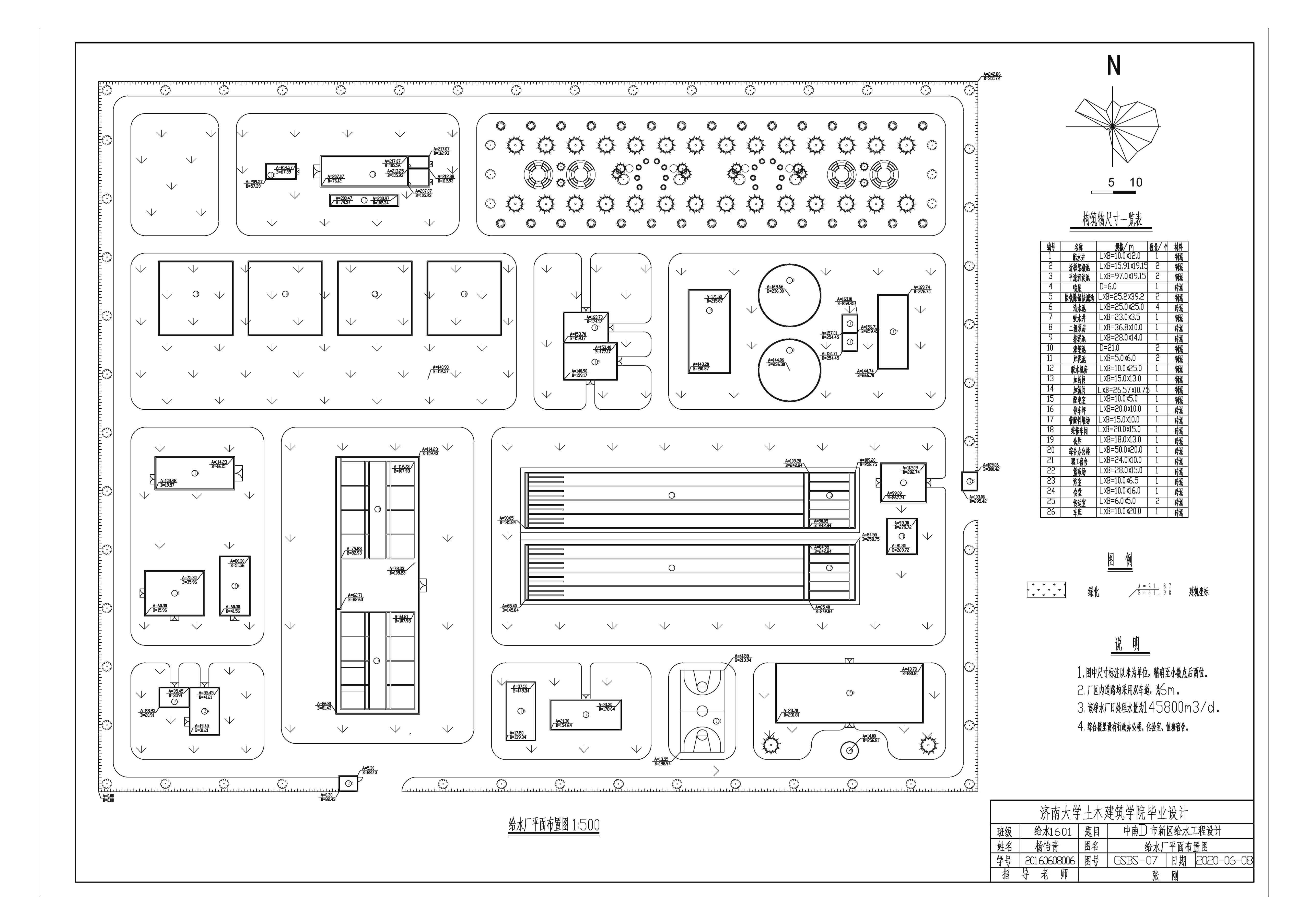
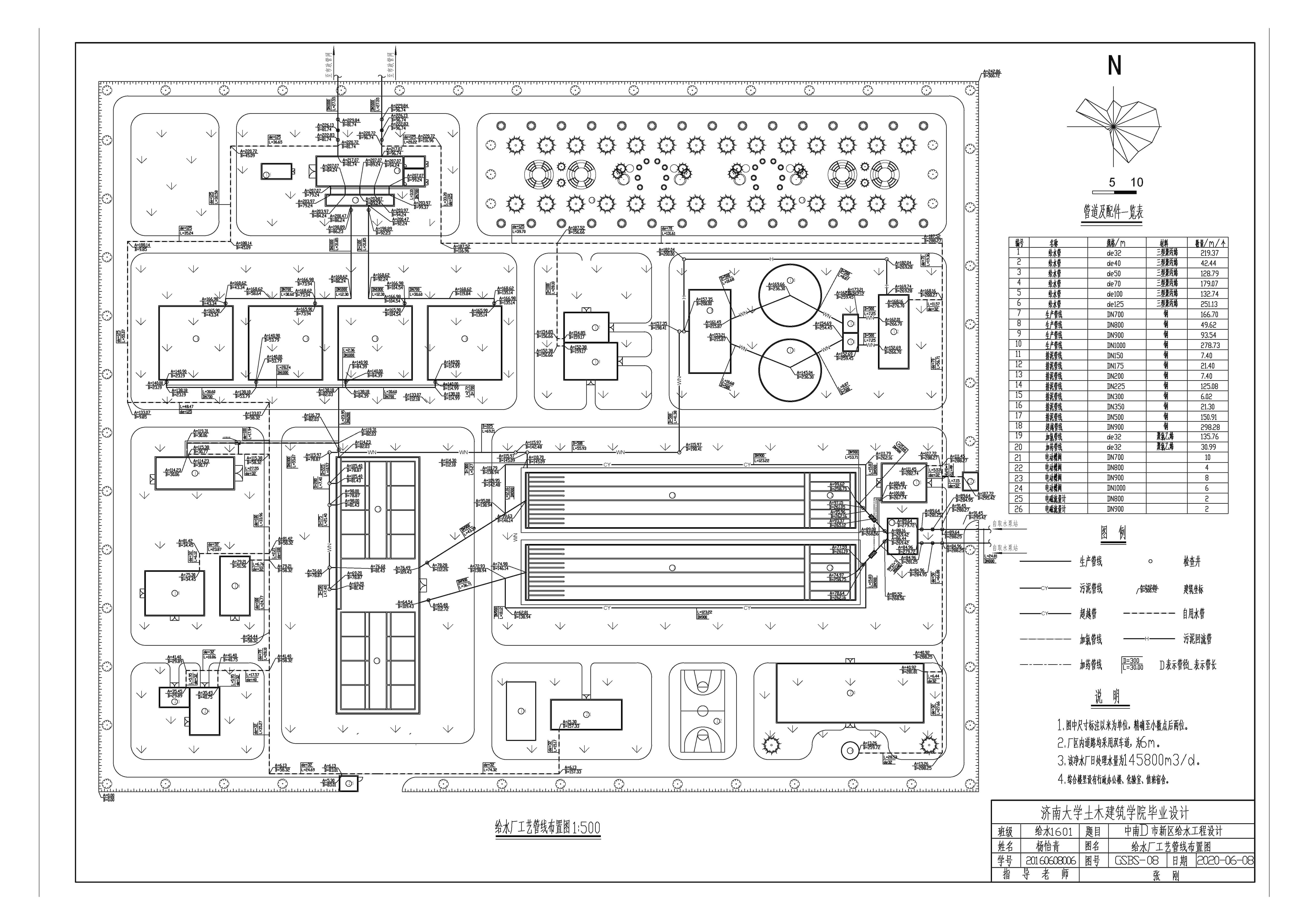
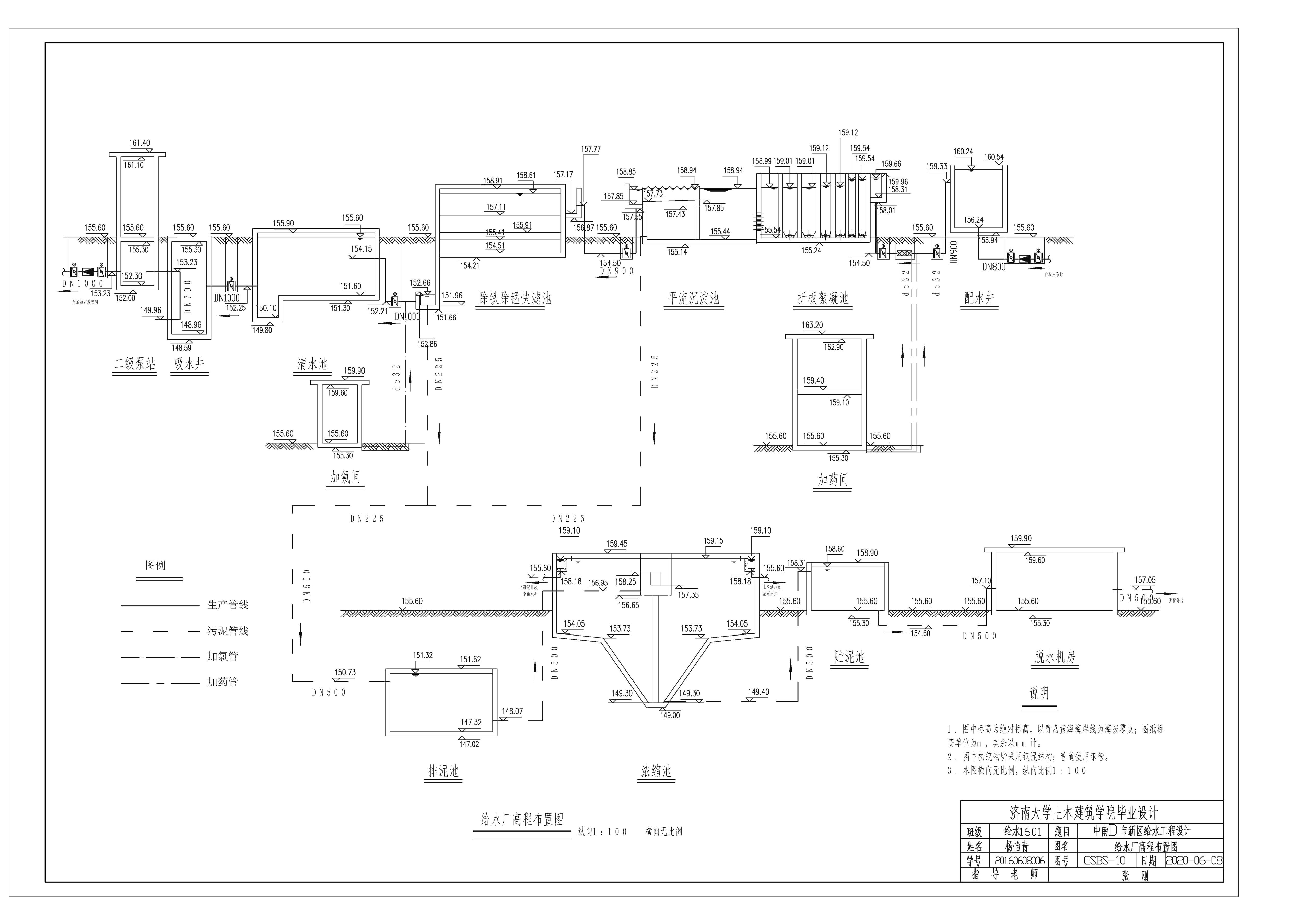
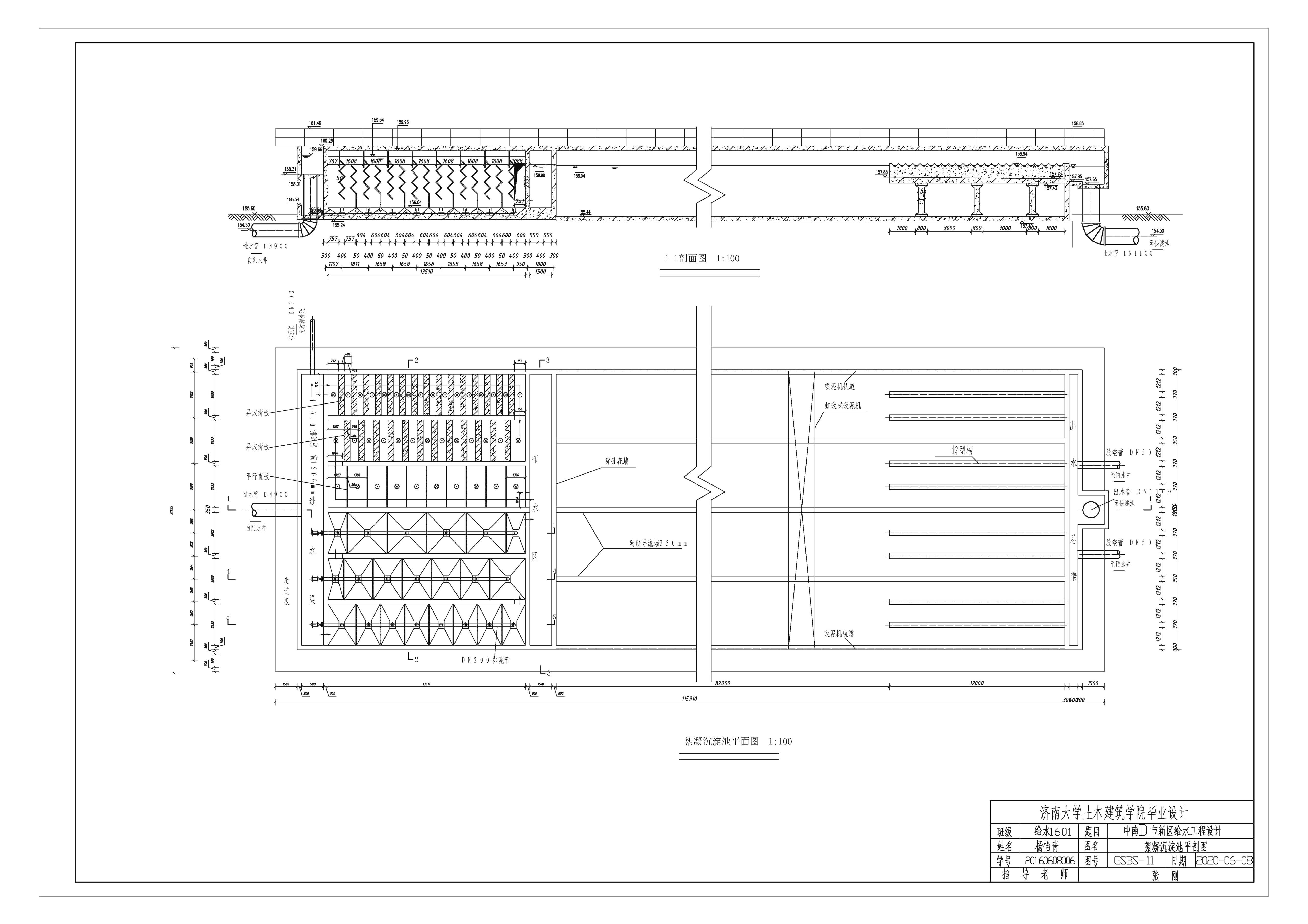
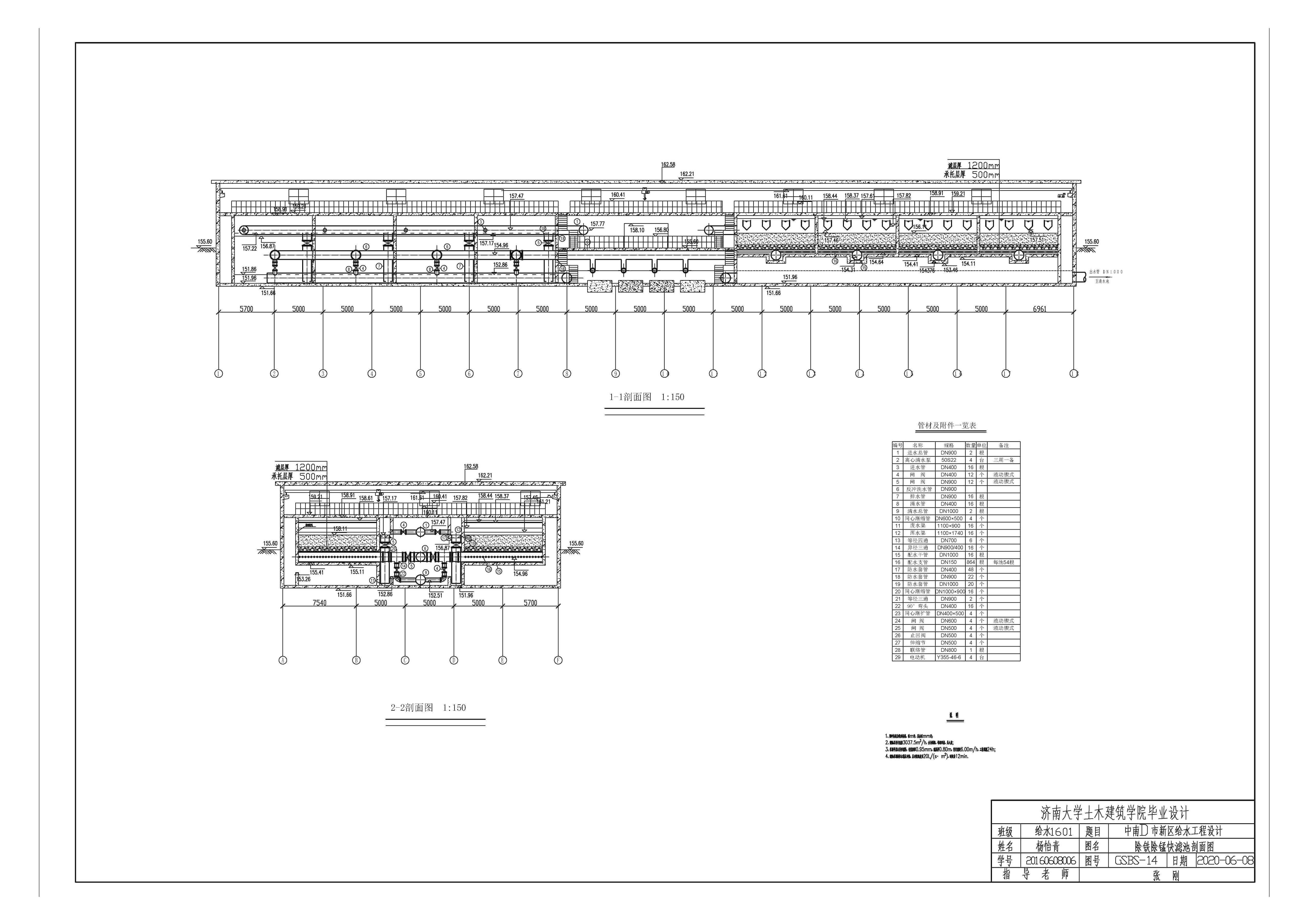
净水厂日处理规模为145800m³/d,原水进水水质为:色度100度,浊度40-100NTU,pH值7.4,总硬度250mg/L(以CaCO3计),铜含量0.8mg/L,铁含量0.9mg/L,锰含量0.6mg/L。经分析,采用常规水处理工艺和除铁、锰工艺相结合的水处理方式,即方案为:预氧化—混凝—沉淀—过滤—消毒—清水池—二级泵站—市政管网,最终出水满足《生活饮用水卫生标准》(GB5749-2006)。
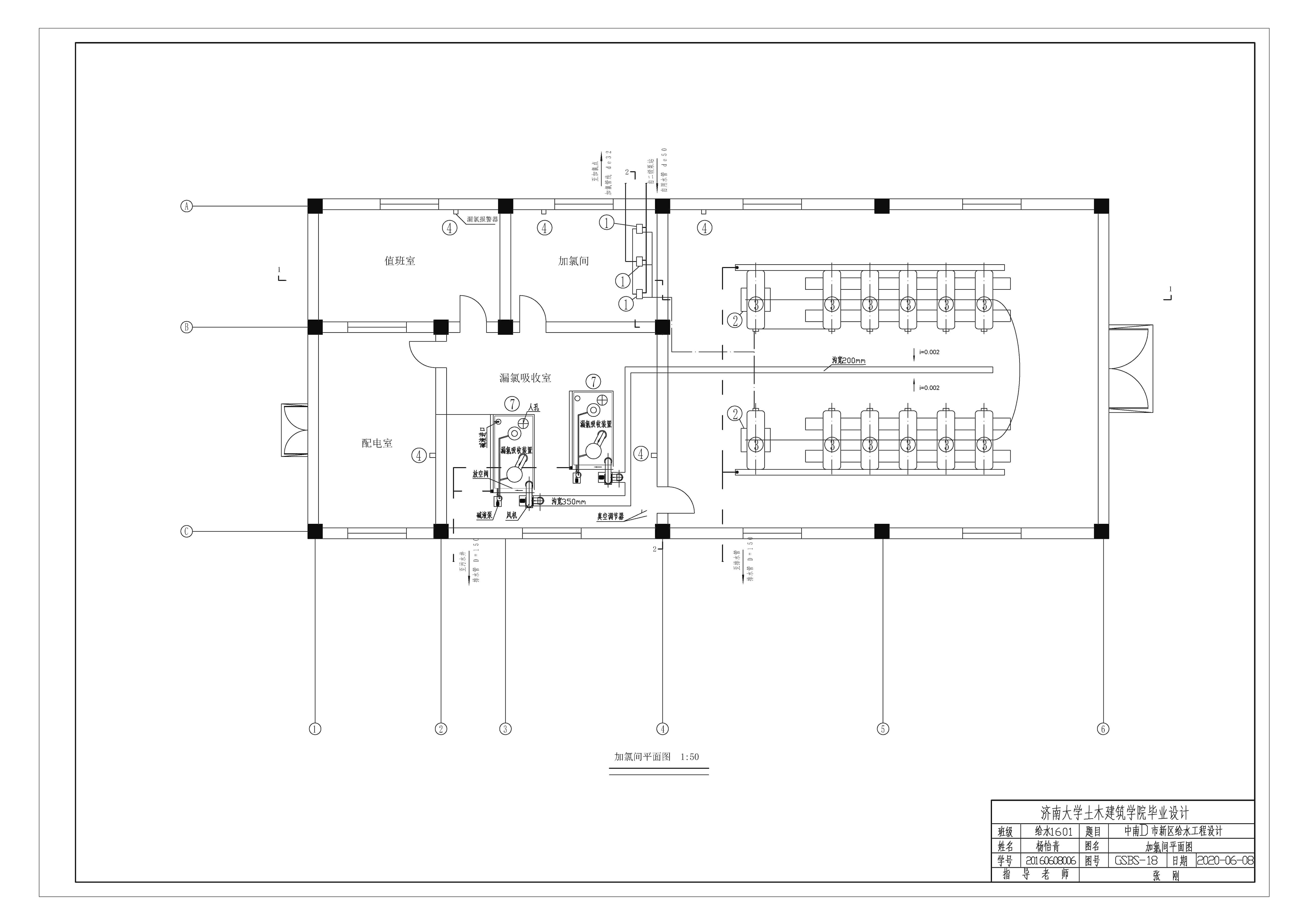
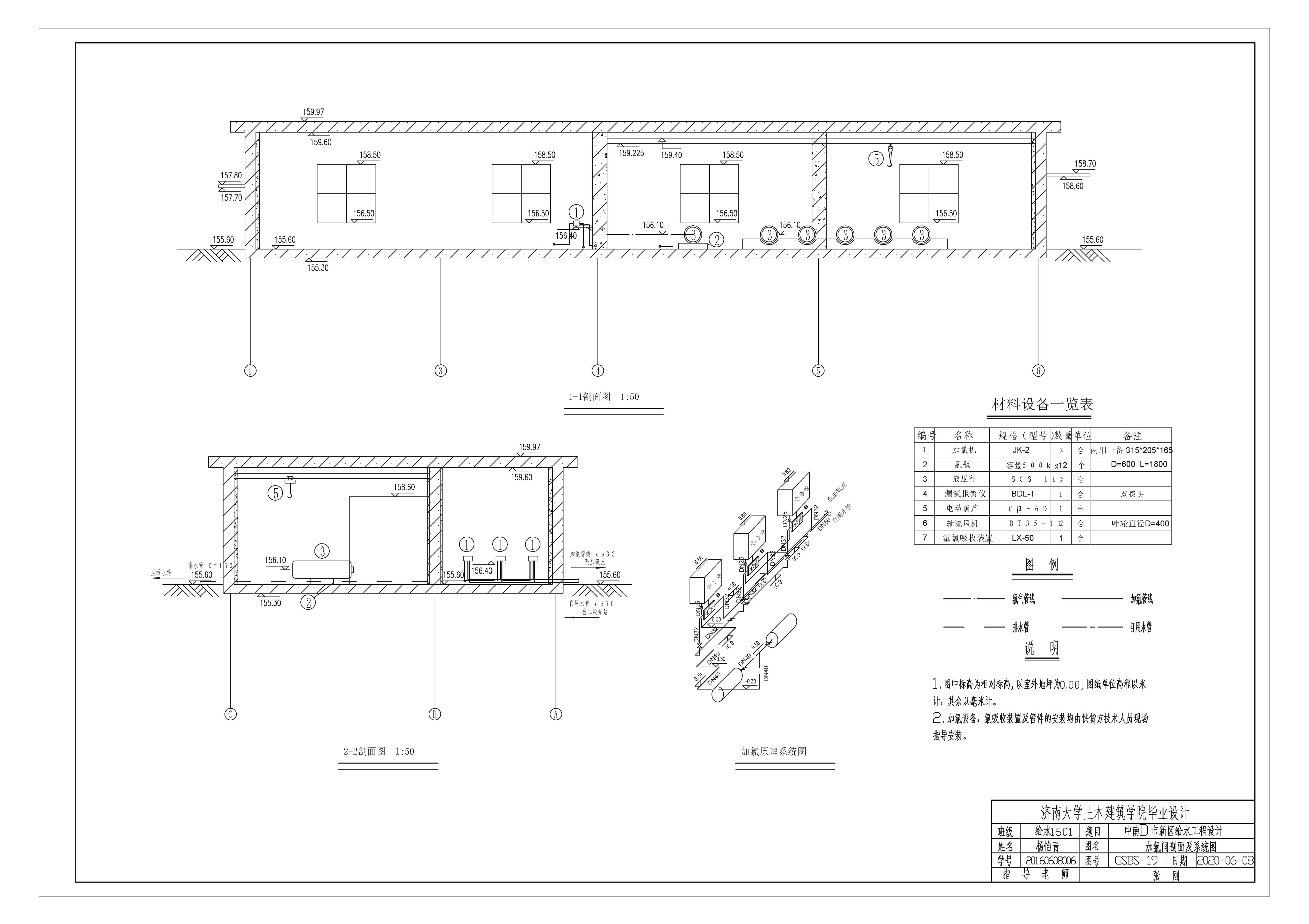
本设计水处理工艺的特色在于除铁、锰工艺部分,预氧化采用高锰酸钾为氧化剂,投加位置位于配水井与管式静态混合器之间;除铁除锰快滤池的滤料采用天然锰砂滤料。该工艺前期高锰酸钾预氧化基本将铁全部沉淀,天然锰砂滤料对锰进行催化氧化,排出铁、锰干扰的同时显著提高除铁、锰效率。
毕业作品展示



















